|
|
|
|
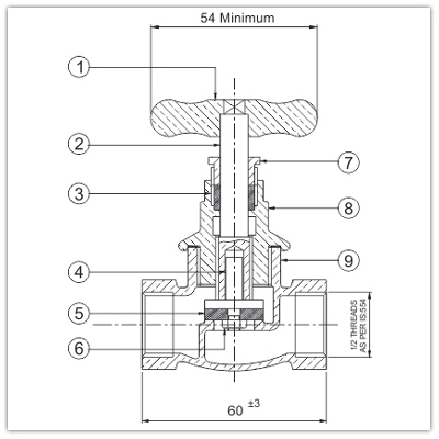
Item No.: HM-201 |
S. No. |
Parts Name |
Material |
|
Bronze Ball Valve with SS Ball and Spindle
with PTFE rings Screwed Female end BSP
Hydraulic Pressure 1.5 MPa Body Seat |
1 |
Handle |
M.S. |
|
2 |
Sleev |
P.V.C |
|
3 |
Spindle |
S.S.(AISI GR 410) |
|
4 |
Ball |
S.S.(AISI G 410) |
|
5 |
Body |
Gun Metal |
|
See Drawing |
6 |
Bonnet |
Gun Metal |
|
| |
|
|
Dimn. |
Nominal Size in MM |
|
|
15 |
20 |
25 |
32 |
40 |
50 |
65 |
80 |
100 |
|
A |
58 |
70 |
72 |
90 |
112 |
123 |
150 |
175 |
210 |
|
B |
1/2"x14 |
3/4"x14 |
1"x11 |
1-1/4"x11 |
1-1/2"x11 |
2"x11 |
- |
- |
- |
|
C |
29 |
35 |
42 |
51 |
55 |
72 |
87 |
101 |
132 |
|
D |
54 |
56 |
70 |
72 |
98 |
100 |
- |
- |
- |
|
E |
94 |
112 |
124 |
124 |
175 |
225 |
240 |
300 |
300 |
|
|